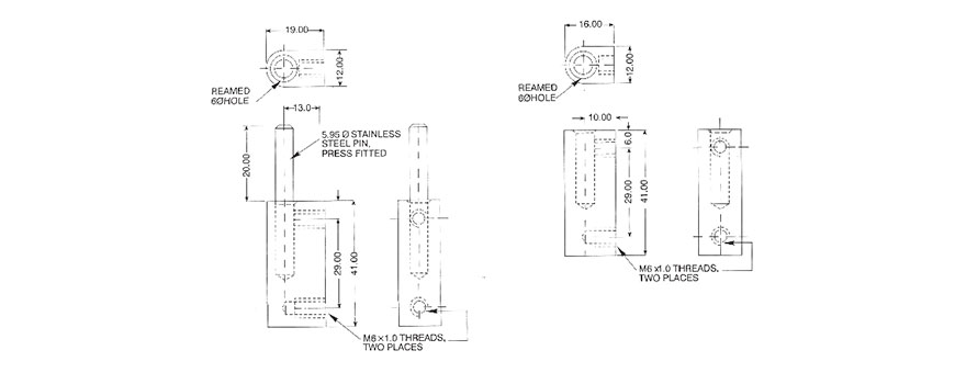
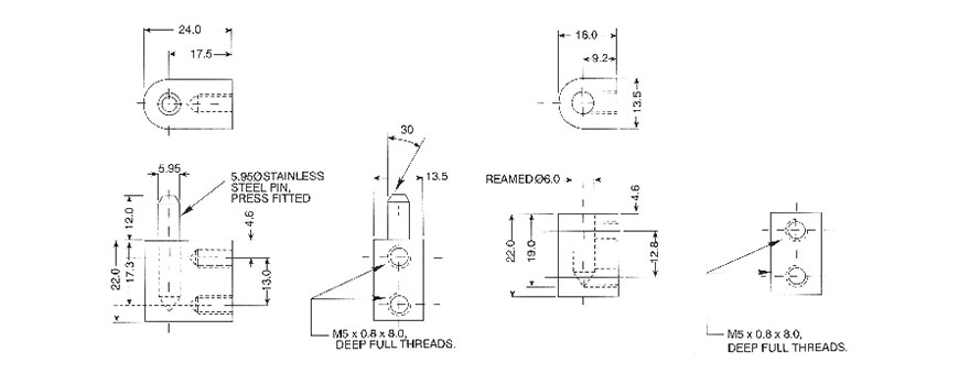
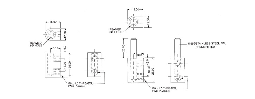
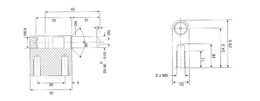
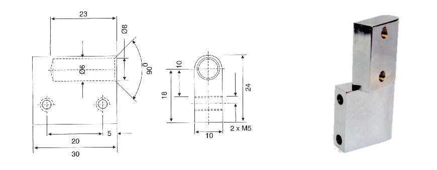
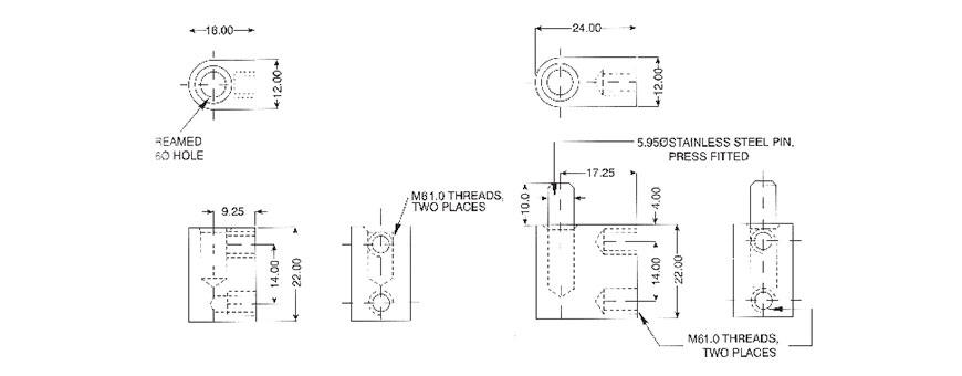
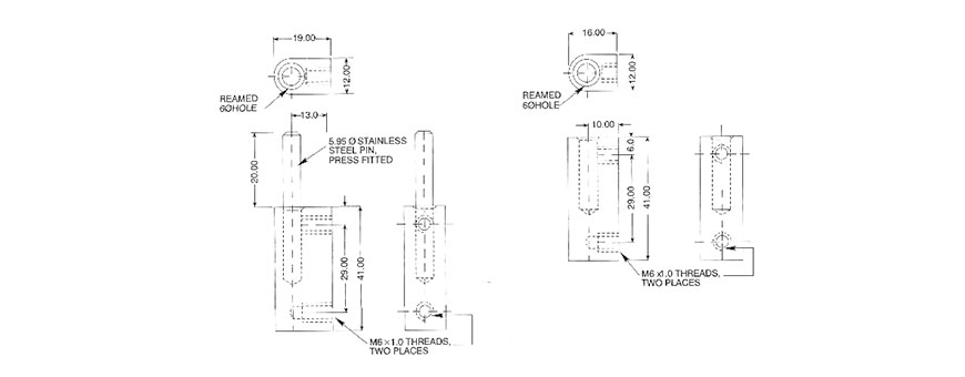
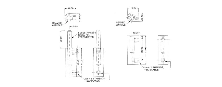
Panel Hinges (Lift off Type) are manufactured from extruded Brass rods duly polished and Nickel Chrome Plated, with stainless steel inserts and Philips-recessed hexagonal head screws duly zinc plated.
We cover all the standard range dimensions in this product that is being incorporated by the panel board manufacturers worldwide and can also offer any customer required variations against request.
Please note all our products in this category are RoHS Compliant.
