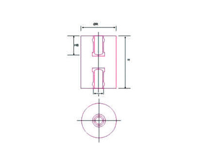
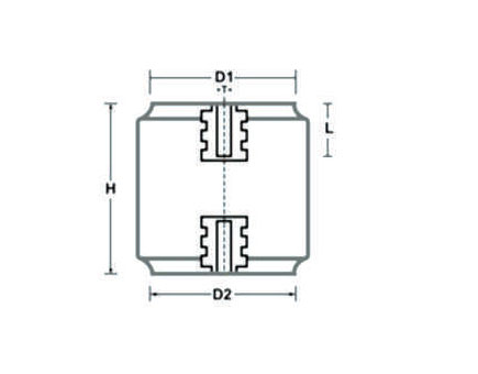
We offer complete range of insulators, moulded out of high grade polyster reinforced resins (DMC and SMC). The Standoff insulators are made from DMC material, and are offered in different variants :
- Conical Type,
- Octagonal Type,
- Full Cylindrical Type,
- Cylindrical Type,
- Round-Hex Type.
- Drum Type (Taiwan model)
Finger type and grip type insulators are also offered - made from standard SMC material.


